电压:300V 电流:10A
接线范围:12-22 AWG
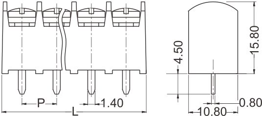
间距:7.62 mm
| 额定电压 (V) | 300 |
| 过电压等级 | B |
| 额定电流 (A) | 10 |
| 压线范围 (AWG) | 2-20 |
| 材料组别 | Ⅰ |
| 过电压等级 (Ⅲ/3)(KV) | Ⅲ |
| 过电压等级(Ⅲ/3)(KV) | Ⅲ |
| 过电压等级(Ⅱ/2)(KV) | Ⅱ |
| 污染等级 | 3 |
| 污染等级 | 2 |
| 污染等级 | 2 |
| 额定电压 (V) | 160 |
| 额定电压 (V) | 160 |
| 额定电压 (V) | 320 |
| 冲击耐电压 (KV) | 4 |
| 冲击耐电压 (KV) | 4 |
| 冲击耐电压 (KV) | 4 |
| 接线截面积(mm2) | 2.5 |
| 额定电流 (A) | 15 |
| 绝缘材料 | PA |
| 阻燃等级 | UL94,V-0 |
| 剥线长度(mm) | 7 |
| 螺丝 (M) | 3 |
| 扭力矩 (lbf.in) | 4.5 |
| 钻孔直径 ∅ | 1.9 |
| 引脚尺寸 | 0.8*1.4 |