EN CN
STB710-03
300V/2A/3.50mm

电压:300V      电流:2A

接线范围:16-20 AWG

间距:3.50mm

位数
2-24
技术数据
认证
商业数据
下载
附件

UL 技术参数

额定电压 (V) 300
过电压等级 B
额定电流 (A) 2
压线范围 (AWG) 16-20

ICE 技术参数

材料组别
过电压等级 (Ⅲ/3)(KV)
过电压等级(Ⅲ/3)(KV)
过电压等级(Ⅱ/2)(KV)
污染等级 3
污染等级 2
污染等级 2
额定电压 (V) 160
额定电压 (V) 160
额定电压 (V) 320
冲击耐电压 (KV) 2.5
冲击耐电压 (KV) 2.5
冲击耐电压 (KV) 2.5
接线截面积(mm2) 1.5
额定电流 (A) 2

材料

绝缘材料 PA
阻燃等级 UL94,V-0

其它

剥线长度(mm) 8
钻孔直径 ∅ 1.3
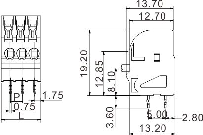
引脚尺寸

名称
文件
下载
名称
文件
下载
多位数图片
2-24
在线预约
公司名称 *
姓名 *
电话 *
提交申请